Определить напряжение относительно общего провода

Проверь себя или создай свой вОпрос!

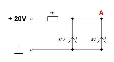
Опрос - Определить напряжение в точке А относительно общего провода:



Варианты:

8V
12V
10V
4V
 
Проголосуйте, чтобы увидеть результаты (требуется регистрация или вход)

Определить напряжение относительно общего провода

alex83 » 14 янв 2022, 01:28

Аватара пользователя
alex83
Имя: Александр

Сейчас этот форум просматривают: нет зарегистрированных пользователей и гости: 1

cron