Векторный анализатор цепей NanoVNA

Исследования и тюнинг радиоаппаратуры, бытовой техники и измерительных приборов

Как измерить добротность катушки прибором NanoVNA

EuSe » 29 май 2021, 12:22

Собственно сабж.
По идее, если подоткнуть на вход прибора последовательный контур из катушки и высокодобротного ( воздушного или ваккуумного ) конденсатора, то прибор покажет нам R при резонансе. Зная это R и частоту, можно подсчитать добротность.
Я ничего не напутал?
Нет аватара
EuSe
Имя: Евгений
Шек: SW2013mini, Kenwood Trio TS-510, Yaesu FT840

EuSe » 19 июл 2021, 10:42

Собственно, я всё правильно написал, за исключением того, что надо ещё сопротивление ом 50 включить в последовательный контур, бо R при резонансе будет 0.1 - 0.2 ома. Без доп. сопротивления их можно и не увидеть.
Нет аватара
EuSe
Имя: Евгений
Шек: SW2013mini, Kenwood Trio TS-510, Yaesu FT840

EuSe » 13 мар 2024, 19:39

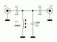
Озадачившись изготовлением высокодобротной катушки для укороченного GP решил для начала померить добротность имеющихся катушек. Собрал такую вот схему

так вот это выглядит

Скрученные провода - это самодельные конденсаторы малой ёмкости

Получили такую кривую

Ничего не разобрать, поэтому используем компьютерную программу nanoVNA_Saver
На ней можно получить более разборчивую картинку

На картинке я уже подрисовал точки -3 дб.
Достаём счёты, начинаем считать
deltaF = f1-f2 = 10117 - 10048 = 69 ( на картинке верхняя частота с ошибкой, 10117 кГц - правильное значение )
Q= fc/deltaF = 10084/69 = 146.
Вполне себе ничего. Однако, с этой катушкой у меня отказался работать регенеративный детектор. Странно.

Итак, для чего я этот пост затеял? А для того, чтобы ежели кто нашёл ошибку в методологии измерений - расскажите мне.

Добавлено спустя 19 минут 28 секунд:
PS номиналы на схеме не имеют ничего общего с действительностью
Нет аватара
EuSe
Имя: Евгений
Шек: SW2013mini, Kenwood Trio TS-510, Yaesu FT840

Сейчас этот форум просматривают: нет зарегистрированных пользователей и гости: 1

cron