Вскрыл для обслуживания один из моих раритетов.
Куплен ни то в 2000, ни то в 2001г.
20 лет служит верой и правдой, настоящий честный Китай
В своё время мне его поверили в метрологической службе СЗТ, так точность его вольтметра и омметра оказалась весьма выдающейся для его тогдашней цены.
4+ разряда, повышенной точности, дополнительно измерение емкости и частоты, автоотключение.
Никаких признаков экономии на спичках. Переключатель режимов и пределов в кожухе на винтах.
А это крутой набор прецизионных сопротивлений.
http://www.hvp.kr/uploaded/category/dat ... series.pdf
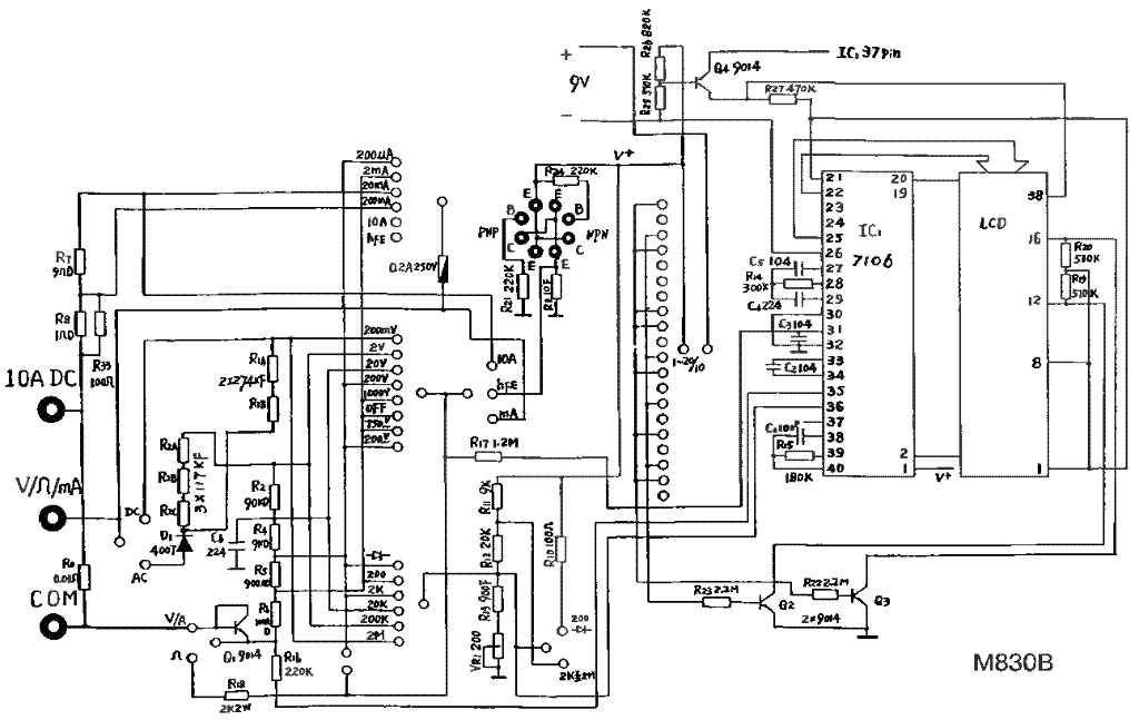
АЦПха установлена в панель.
За 20 лет интенсивного использования у него даже щупы не развалились и провода не поотваливались. Вот это качество!
Кстати, его и сейчас выпускают в более модерновом виде.
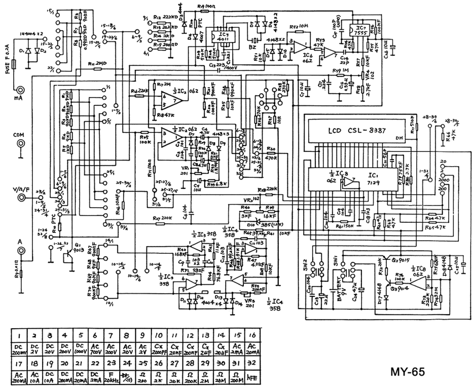
Схема MASTECH MY-65:
Инструкция:
