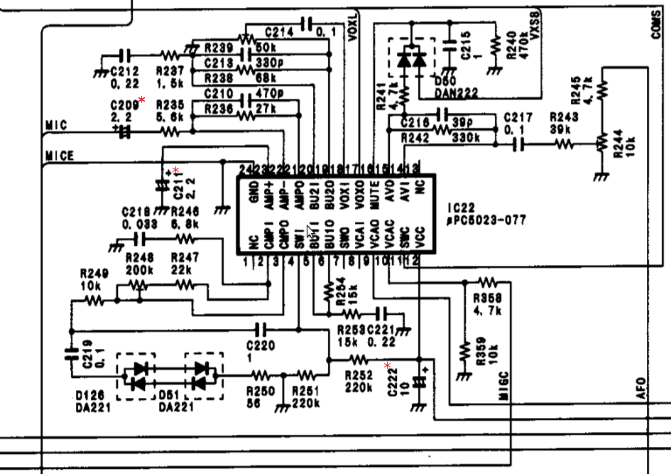
Продолжаю отвечать на вопрос, заданный R9SL по E-Mail. При нехватке усиления по микрофону можно попробовать поменять оксидные (электролитические) конденсаторы C209, C211 и на всякий случай C222. Возможно, что они могли подсохнуть за несколько лет. На схеме я их пометил красными звёздочками.
В сервисном описании трансивера, которое мне удалось найти, рисунки печатных плат очень некачественные. Мне так и не удалось понять, в каком месте основной платы расположен микрофонный усилитель. Я думаю, что на плате детали должны быть подписаны, и найти микросхему IC22 с 24 ножками не составит особого труда.
