Нашел на помойке

Разговоры на разные околорадиолюбительские темы

Нашел на помойке

alex83 » 05 авг 2012, 20:09

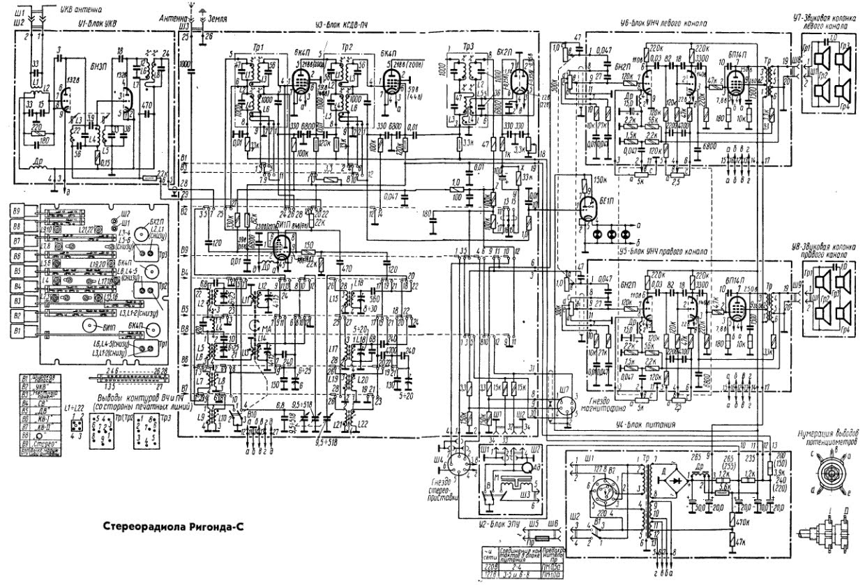
Попалась Ригонда Стерео. Шасси без корпуса, но с целой шкалой.
Немного необычная, из первых эшелонов, 64г.в. От последующих собратьев отличается наличием маленьких кругленьких дроссельков в УНЧ, в цепи катода первого триода и немного другой разводкой ПП.
И стал я думу думать, что бы с ней сделать... Восстановить, облагородить, чтоб пело или пущай ещё полежит.


Состояние у шаськи так себе, не очень. Паяная, паханая, раскурочен один из контуров, кое где отвалились дорожки, некоторых деталей не хватает. Да и стереодекодера нет, а без него радость будет не полной.

Есть пара мыслей. Можно сделать из её блоков усиль ламповый, но тут я пас, звук её меня мало интересует, разве только в сочетании с радиоприемом. А вот сделать из нее безкорпусной приемник, облагородив шасси, обновив детали, доработать схему, добавить декодер, как мне кажется было бы интереснее. В общем прослыть крутым труЪ реставратором мне с этим шасси точно не грозит, а вот разобрать девайс до конца и так никогда его не собрать - это запросто:).

Блоки УНЧ


Блок УКВ


БП


http://www.rw6ase.narod.ru/00/rl_l_/rigonda102.html

__
Вложения
Аватара пользователя
alex83
Имя: Александр

alex83 » 21 июл 2014, 15:49

Вот такой экземпляр попался. Рабочий, ну почти. Изображение видно, но высоковольтный драйвер подсветки не работает.


В нем много полезной жести.


И клёвая съемная подставка, которую можно как-то использовать.




Даже если его не ремонтировать, то мы имеем:
1. пару прикольных радиаторов
2. много жести и металла для радиолюбительских конструкций
3. прикольную подставку для чего-либо
4. силовые диоды и транзисторы
5. оптрон, дроссели, конденсаторы и резисторы
6. прикольные разъемы
7. гнездо питания
Если покупать всё это новым, то это же будут сотни нефти! А тут халява. Какое сладкое слово :lip:
Аватара пользователя
alex83
Имя: Александр

alex83 » 07 апр 2015, 16:30

Суровые будни советского радиолюбителя. Я и не думал, что кто-то из молодых ещё этим занимается :mrgreen:
Я ещё такой подход застал. нормальных магазинов радиодеталей тогда не было, а в тех что были ничего толком не купить. Ходишь по подворотням, гаражам и свалкам в надежде найти кусок какой-нибудь аппаратуры или плату.
phpBB [media]
Аватара пользователя
alex83
Имя: Александр

rn1neb » 08 апр 2015, 22:40

Это точно! Тема зачётная! Увы, настоящих радиоманьяков сейчас уже мало. Признаюсь, посмотрел с большим удовольствием. Вспомнил время, когда сам совершал рейды по помойкам. Очень была популярна в нашем районе мусорка филиала Академии Наук. Хлам на помойках в те времена был несколько другой, но восторг от удачной находки просто не выразить словами! Очень любил находить хорошие трансформаторы, т. к. в то время много экспериментировал с лампами.
--... ...--
Аватара пользователя
rn1neb
Шек: TX-500, FT-817ND, IC-705, X6100, IC-7000, IC-7300
Откуда: Карелия, Петрозаводск

alex83 » 08 апр 2015, 23:07

Наверно это вечная тема и через неё должен пройти каждый радиолюб :mrgreen:
Только раньше было ничего не найти потому что ничего не выбрасывали, а теперь ничего не найти потому что бичи всё крушат, металлисты херовы. Но сейчас, правда, возможностей куда больше.
Мы даже по чужим гаражам и сарайкам шакалили, иногда приходилось "делать ноги" :mrgreen:
Но меня больше к военной аппаратуре тянуло, поэтому я любил с отцом ходить в Пески, там частенько военные что-то в лесу выбрасывали, были там места. А ещё была спец.помойка в Пятом Поселке, где пункт приема металлолома. Придешь туда, а там часть барахла обычно снаружи лежала, не за забором, вот там и ковырялись. А ещё бывало, что при погрузке или что, некоторые военные блоки застревали на заборе на колючке, а у забора бетонные блоки стопкой сложены. Вот на них залезешь и дотягиваешься, снимаешь с колючки "аппаратуру".
Один раз бабка-сторож заметила, выбежала с собакой и согнала нас. Моего друга собака за жопу укусила, видимо спецом за это место кусать науськана была :mrgreen: . Весело было.
Ну и также как этот пацан дербанили "добычу" прямо на улице, как хыщники :mrgreen: .
Аватара пользователя
alex83
Имя: Александр

rn1neb » 08 апр 2015, 23:14

moder:Ну и также как этот пацан дербанили "добычу" прямо на улице, как хыщники

Да уж. На Достоевского тоже наведывались, но уже позже, когда на коллективку ходили и накапливали "детальки" для собственной радиостанции. Существенных репрессий на себе не испытали. Иногда на нас не обращали внимания, а иногда удавалось договориться (Не так, как некоторые может быть подумали, а совершенно бесплатно. Просто объясняли кто мы такие и зачем нам это нужно). Об импортной аппаратуре тогда лучше было и не думать, редкие отечественные изделия существовали, но было совершенно непонятно где и как их приобрести (да и не дёшево). Некоторые имели доступ к военной технике, но как правило для радиолюбительского использования её нужно было дорабатывать. Так что собирали всё сами и не парились (ведь все вокруг так делали). Основным источником информации служили спецкнижки и журнал "Радио". Интернета вёдь ещё небыло :dont:
--... ...--
Аватара пользователя
rn1neb
Шек: TX-500, FT-817ND, IC-705, X6100, IC-7000, IC-7300
Откуда: Карелия, Петрозаводск

alex83 » 08 апр 2015, 23:15

rn1neb:удавалось договориться (не так, как некоторые может быть подумали, а совершенно бесплатно

100%, мы потом с бабкой той тоже договорились :) .
Что интересно этому пацану вроде как 20 лет. У меня активная фаза лет в 17 закончилась, но видимо у всех это по разному. У кого раньше у кого позже, а у кого и вовсе... :mrgreen:
Крайний раз пару лет назад радиолу домой притащил, потом правда выбросил :shuffle:
Аватара пользователя
alex83
Имя: Александр

Радиостанция Motorola Radius GP300

alex83 » 10 янв 2021, 22:57

Разжился на халяву 4-мя данными рацейками. Нашел на свалке рядом с ЖД конторой.
Три - двух канальные, одна, судя по корпусу - 16-ти.
Раскомплектованы, без АКБ и антенн, корпуса заюзаны вусмерть, но платы вроде в порядке.
Вдохновило полное отсутствие электролитов, следов сырости, повреждений, а также герметичные корпуса-конструкторы и легенды о вечности и неубиваемости этих РС.
Будем посмотреть....


Аватара пользователя
alex83
Имя: Александр

alex83 » 11 фев 2021, 21:23

Все рацейки были проверены с помощью трансивера (респект RN1NEB) и все оказались исправные!
Судя по частоте, использовались железнодорожниками, что было ожидаемо, т.к. некоторые корпуса пришлось отмывать от мазута. Теперь можно смело прикупить к ним программатор и другие недостающие аксессуары.
Аватара пользователя
alex83
Имя: Александр

Электроника МК-37

alex83 » 04 мар 2021, 23:57

Выносил сегодня мусор и увидел у помойки довольно продвинутый теплый "ламповый" советский калькулятор Электроника МК 37.
Вообще, я уже давно не любитель тащить аппаратуру с помойки, но всё же иногда грешу этим, когда попадается что-то стоящее и представляется счастливый случай опередить бичей-металлистов. Это, в некотором роде, рефлекс, выработавшийся ещё в детстве и прочно закрепившийся в подкорке. Радиодетали, халява, молниеносная реакция кобры, цап-цап... Тем более, что этот калькулятор привлек мое внимание своим невероятно стильным необычным красно-белым корпусом и практически идеальным сохраном, как будто его только вытащили из коробки после покупки. Я даже наивно пострелял глазами вокруг в надежде найти к нему документы или адаптер.


Кароч, притащил домой :facepalmm: . Жена меня высмеяла, как обычно: "Опять подобрал какую-то фигню" :unknw: .
Установил батарейки (3 пальчиковых) и на удивление аппарат оказался рабочим.
Очень порадовало ностальгическое свечение ярких линзованных 7-сегментных индикаторов. Особенно в темноте. Эффект не хуже, чем от магического глаза. От этого индикатора прямо веет фантастикой 70-х - 80-х. Весь вечер с ним просидел, кайфовал.


К недостаткам можно отнести как будто "выгоревший" младший разряд, светящийся заметно тусклее остальных. Но через некоторое время его свечение странным образом выровнялось и разница стала не заметна. Ну и неустойчивые клавиши, переваливающиеся с боку на бок и не очень-то тактильно приятные. Хотя этим грешили большинство аналогичных советских калькуляторов.
Аватара пользователя
alex83
Имя: Александр

rn1neb » 06 мар 2021, 22:21

Какая удачная находка :good:
Посмотрел и свой Б3-24Г достал и протёр от пыли.
Этот индикатор... он был просто прекрасен. В школу с ним ходил :old:
Клавиши относительно неплохие, не качаются и кликают довольно чётко.

--... ...--
Аватара пользователя
rn1neb
Шек: TX-500, FT-817ND, IC-705, X6100, IC-7000, IC-7300
Откуда: Карелия, Петрозаводск

alex83 » 06 мар 2021, 22:47

Интересно, а почему в СССРе вся(ну или почти) бытовая электроника называлась Электроника? Фантазии не хватало? Какое-то засилие Кэпов, чесслово.
Аватара пользователя
alex83
Имя: Александр

alex83 » 07 мар 2021, 00:34

Не удержался и решил всё же посмотреть, что у него внутри.
Меня поразил минимализм, с которым сделан этот калькулятор.
Кроме клавиатуры и индикатора, внутри оказалось только пара микросхем, пара резисторов и преобразователь напряжения, залитый в компаунд.
Клавиатура выполнена на очень толстом стеклотекстолите и соединяется с основной платой широким шлейфом.





Даже стало интересно, что же там за схема такая.
А вот она:
Аватара пользователя
alex83
Имя: Александр

Не смог пройти мимо

alex83 » 22 мар 2021, 21:02

Пошел, как обычно, выносить мусор и вижу рядом с баками аккуратно пристроен раздербаненый системник.
Системники с пустой материнкой на помойке в последнее время какого-то удивления не вызывают и у меня к ним стойкий иммунитет, поэтому обычно я прохожу мимо. Но не в этот раз.

Приглядевшись, обнаружил на материнке процессор с радиатором и вентилятором. Ну, думаю, зажрался народ. И как это мне повезло успеть до металлистов. Вспомнил, как не так недавно меня выручил радиатор от процессора ПК, и решил прихватить этот хлам. Но если честно, то у меня возникла слабая надежда, что а вдруг плата окажется рабочая или её можно будет оживить, компы-то сейчас дорогие, не до жиру.
А ещё мне приглянулась и сама материнка. Она явно сделана на рубеже старых и новых технологий. С одной стороны тут SATA и куча USB, а с другой стороны есть COM, LPT, IDE и даже FDD! А вдруг! Можно сварганить спец. комп для работы с какими-нибудь древними девайсами.
На корпусе написано AMD64 Phenom.
Аватара пользователя
alex83
Имя: Александр

alex83 » 23 мар 2021, 23:48

Не, чуда не случилось. Плата дохлая, не запускается.
Правда там есть созревшие электролиты, может и в них дело.... :unknw:
Аватара пользователя
alex83
Имя: Александр

alex83 » 29 мар 2021, 00:37

Плата завелась после замены 6 дохлых электролитов. Возможно их больше, но визуально не определяются, померить внутрисхемно нечем, а выпаивать все подряд лень.
viewtopic.php?p=7528#p7528
Аватара пользователя
alex83
Имя: Александр

alex83 » 05 апр 2021, 10:56

Продолжение
viewtopic.php?f=21&t=662
Аватара пользователя
alex83
Имя: Александр

Радиоприемник Сампо 101

alex83 » 27 апр 2021, 23:36

Очередная находка. На этот раз, правда, не с помойки, а с придомовой территории, но тем не менее.
Радиоприемник трех программный первой группы сложности SAMPO 101 1987г.в.
ГОСТ 18286-82, ц. 26р 50к, з/н: 01_026_08_1987
Название написано не патриотичной латиницей, что для конца 80-х было уже нормой, но зато как звучит! Видимо, надеялись наладить экспорт в ближнее зарубежье :mrgreen:


А подобрал я его не просто так.
Во первых, он наводит на меня теплые транзисторные воспоминания из детства, т.к. в те далекие и юные времена аналогичный радиоприемник белой расцветки верой и правдой служил у нас дома. Модель оказалась какая-то нереально надежная. Проработать 20 лет на кухне в практически нон-стоп режиме без какого-либо обслуживания для него оказалось сущим пустяком, после чего он ушел на заслуженный отдых в связи с утратой актуальности и доверия, да-да, именно доверия, т.к. вся та дичь, которую по нему вещали доверия точно не заслуживала.
Во вторых, корпус(фронтальная половинка) от аналогичного аппарата синего цвета был использован мной для построения своего первого радиоприемника в радиокружке.
В третьих, данный экземпляр несколько оригинален. Имеет необычную зеленую расцветку и эмблему посвященную 70-летию великой октябрьской социалистической революции. Ещё более экзотической расцветкой была коричневая. А ещё, судя по заводскому номеру, этот экземпляр один из первых с начала выпуска(26?).
В четвертых, приемники эти, если я не ошибаюсь, производились на местном радиозаводе "Светлана", на месте корпусов которого теперь торговые комплексы и жилые дома.
Ну и в пятых, аппарат опломбирован, а первым всегда приятно быть.


По затертому тексту у регулятора громкости видно, что аппаратом регулярно пользовались.
Также заметно и небольшое повреждение пластика около регулятора тембра ВЧ. Похоже, приемник выбросили из окна первого этажа, при чем сделано это было так резко и неожиданно, что несколько предохранителей, сопрягаемых с отделяемой частью шнура остались на своих местах. Наверно, это был какой-то алкаш, которому надоела реклама медицинских препаратов по Радио Россия, но это не точно. Не исключено, что в причине такой суровой утилизации радиоприемника сыграли роль и подклинившие П2К.

Целкость не нарушена.
Перед открыванием таких ящиков пандоры приборов всегда нужно быть готовым к атаке разного рода ксеноморфов. Поэтому дома этого лучше не делать.


Примечательна переходная панель под динамик. Похоже, изначально планировалось устанавливать какой-то другой тип динамика, с существенно большим диффузором, с которым он должен был звучать значительно круче, но потом, как обычно, что-то пошло не так, сметы урезали и получилось то, что получилось.


Дааа, что-то не тянет он на первую группу сложности и профита тут не будет.
Если только взять силовой и разделительный трансформаторы, да динамик для какой-нибудь детской радиолюбительской конструкции. Но в итоге, видимо, придется всё же утилизировать его второй раз.
А может продать коллекционерам-реставраторам....
https://www.avito.ru/moskva/audio_i_vid ... 2005904666


__________________
Вложения
sampo101.djvu
Мануал и схема
(233.25 Кб) Скачиваний: 550
Аватара пользователя
alex83
Имя: Александр

rn1neb » 28 апр 2021, 04:15

alex83:В четвертых, приемники эти, если я не ошибаюсь, производились на местном радиозаводе "Светлана"
Перейти к сообщению

Не на "Светлане", на радиозаводе их производили (корпуса которого стоят за нынешним "Мурлым Мурло Леруа Мерлен").
Сам детальки в плату запаивал, загибая выводы с обратной стороны, как требовала технология.
А вдруг это один из тех самых экземпляров? :)
--... ...--
Аватара пользователя
rn1neb
Шек: TX-500, FT-817ND, IC-705, X6100, IC-7000, IC-7300
Откуда: Карелия, Петрозаводск

alex83 » 28 апр 2021, 09:06

А "Светлана" это совсем отдельная контора была, которая в 5-м поселке? Там вроде только бескорпусные транзисторы для микросборок делали. Там до сих пор, когда сильный ливень дорогу размывает, вымывает на поверхность пластиковые транспортировочные корпуса под них. Артефакты древней высокоразвитой цивилизации. У этих транзисторов с золотыми выводами вроде даже какое-то обозначение есть.

rn1neb:А вдруг это один из тех самых экземпляров?
Перейти к сообщению

Может примешь в дар, на память? Он нормальный, тараканов нет, только просушить разве что, корпус отмыть, П2К смазать.

И что там за такой огромный динамик мог предполагаться?
Аватара пользователя
alex83
Имя: Александр

Сейчас этот форум просматривают: нет зарегистрированных пользователей и гости: 1

cron